


Delivery 25-30 wo.days



COME UP BISON 20 | Hydraulic Worm Gear Winch with lifting capacity up to 9072 kg
- Stock: Delivery 25-30 wo.days
- Model: 1261
0,00€
0,00€
(With Tax)
BISON-20
- The new mechanical MDB (Multi-Disc Brake) and two ways counterbalance valve together to control and hold the load.
- Built-in air clutch for rapid wire rope payout.
- Great for severe duty trailers, roll-back carriers, and commercial recovery application.
- Fast and variable recovery speeds for high working
- Powerful and constant output hydraulic motor allows extreme duty performance
- Meet SAE J706, CE machinery directive 2006/42/EC and EN 14492-1:2006 Power Driven Winches
- Roller fairlead, cable tensioner and two ways counterbalance valve come as standard accessories.
Specification/Part Numbers
- Part number: PN 682030 (Std. drum) / PN 682169 (Long drum)
- Rated line pull: 9,070 kg / 20,000 lb (SAE J706 & EN 14492-1 rating)
- Line speed (at 1st layer of rope) : 7.1 mpm at 60 l/min (23 fpm at 15.9 g/min)
- Operation pressure: 175 bar / 2,540 psi
- Max oil flow: 60 l/min (15.9 g/min)
- Hydraulic motor: 155.7 cm3/rev (9.5 in3/rev)
- Gear ratio: 2-stage planetary gear 30:1
- Winch construction: Cast housings with steel drum
- Clutch (Freespooling): Output shaft disengaged
- Brake: Multi-Disc Brake (MDB) patented and counterbalance valve supplied
- Rotation of winch: Wire rope shall be under-wound orientation only
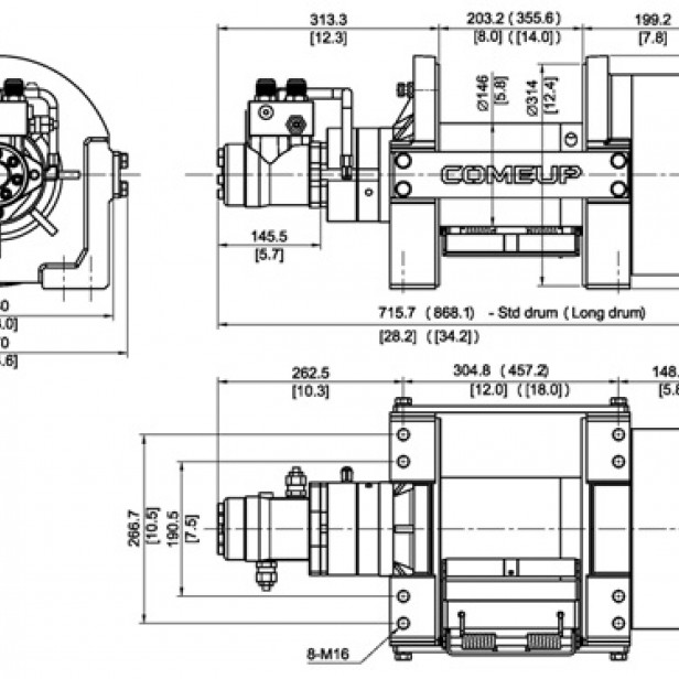
- Drum barrel diameter: 146 mm (5.8″)
- Drum flange diameter: 314 mm (12.4”)
- Distance between flanges:
203 mm (8″) – Std. drum
355.6 mm (14″) – Long drum - Mounting bolts pattern:
190.5 x 304.8 mm (7.5” x 12”) ; 266.7 x 304.8 mm (10.5” x 12”) – Std. drum
190.5 x 457.2 mm (7.5” x 18”) ; 266.7 x 457.2 mmc (10.5” x 18”) – Long drum - Wire rope recommended:
14 mm x 43 m (9/16” x 141’) – Std. drum
14 mm x 80 m (9/16” x 262’ ) – Long drum
1,960 N/mm2 (EIPS) grade with a minimum breaking strength of 137 kN (30,742 lbf) required for SAE J706 ratings
16 mm x 30 m (5/8” x 98’) – Std. drum
16 mm x 55 m (5/8” x 180’ ) – Long drum
1,960 N/mm2 (EIPS) grade with a minimum breaking strength of 179 kN (40,167 lbf) required for EN 14492-1 ratings - Winch weight:
135 kg / 298 lb – Std. drum
150 kg / 331 lb – Long drum - Gross weight:
165 kg / 364 lb – Std drum
195 kg / 430 lb – Long drum - Box dimension, (L x D x H) :
870 x 500 x 510 mm (34.3″ x 19.7″ x 20.1″) – Std. drum
1,025 x 500 x 510 mm (40.4″ x 19.7″ x 20.1″) – Long drum
Does this device not quite meet your needs? Discover our entire range of our products here in the shop!
Do you have questions about this product? Please contact us! Call us on: 00302105130003 or send us an email to info@kapountalis.com






