


Παράδοση 25-30 ερ.ημέρες



COME UP BISON 30 | Υδραυλικός εργάτης αυτοκινήτου για 13608 kg λειτουργίας
- Απόθεμα: Παράδοση 25-30 ερ.ημέρες
- Κωδικός Προϊόντος: 1260
0,00€
0,00€
(Με ΦΠΑ)
Bison 30
- Με το νέο μηχανικό MDB (Multi-Disc Brake) και τη βαλβίδα αντιστάθμισης δύο δρόμων για τον απόλυτο έλεγχο και τη συγκράτηση του φορτίου.
- Ενσωματωμένος συμπλέκτης αέρα για ταχεία απελευθέρωση του συρματόσχοινου.
- Εξαιρετικό για ρυμουλκούμενα βαρέων φορτίων, μεταφορείς roll-back και εμπορική εφαρμογή .
- Γρήγορες και μεταβλητές ταχύτητες ανάκτησης για υψηλή απόδοση στην εργασία
- Ο ισχυρός και σταθερός υδραυλικός κινητήρας επιτρέπει εξαιρετικές επιδόσεις φορτίου.
- Συμμορφώνεται με το SAE J706, την οδηγία 2006/42 / EC για τα μηχανήματα και τα ηλεκτροκίνητα βαρούλκα τύπου EN 14492-1: 2006.
- Με ραουλιέρα τεσσάρων σημείων, τεντωτήρα συρματοσχοίνουν και τη βαλβίδα αντιστάθμισης δύο δρόμων ,να έρχονται ως στάνταρ αξεσουάρ.
Χαρακτηριστικά
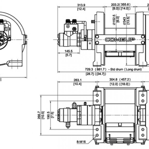
- Αριθμός εξαρτήματος: PN 683030 (τύπος τυμπάνου) / PN 683352 (Long drum).
- Ονομαστική έλξη γραμμής: 13.600 kg / 30.000 lb (βαθμολογία SAE J706).
- Ταχύτητα γραμμής (στο πρώτο στρώμα σχοινιού): 5 mpm στα 60 l / min (16 fpm στα 15,9 g / min).
- Πίεση λειτουργίας: 175 bar / 2.540 psi.
- Μέγιστη ροή λαδιού: 60 l / min (15,9 g / min).
- Υδραυλική μηχανή: 155,7 cm3 / rev (9,5 in3 / rev).
- Αναλογία οδοντωτών τροχών: Πλανητικό γρανάζι 2 σταδίων 41: 1.
- Κατασκευή κυλίνδρων: Περιβλήματα με χαλύβδινο τύμπανο.
- Συμπλέκτης (Freespooling): Ο άξονας εξόδου είναι αποσυνδεδεμένος.
- Φρένο: Πατενταρισμένο φρένο πολλαπλών δίσκων (MDB) και βαλβίδα αντιστάθμισης.
- Περιστροφή του βαρούλκου: Το συρματόσχοινο πρέπει να είναι προσανατολισμένο μόνο προς τα κάτω.
- Διάμετρος βαρελιού βαρελιού: 152,5 mm (6 “).
- Διάμετρος φλάντζας τυμπάνου: 343 mm (13,5 “).
- Απόσταση μεταξύ φλαντζών:
203 mm (8 “) – τύμπανο
355,6 mm (14 “) – Μακρύ τύμπανο - Μοντέλο βιδών στερέωσης:
190,5 χ 304,8 mm (7,5 “χ 12”). 266,7 x 304,8 mm (10,5 “χ 12”) – Std. τύμπανο
190,5 χ 457,2 χιλ. (7,5 “χ 18”). 266,7 x 457,2 mm (10,5 “x 18”) – Μεγάλο τύμπανο - Συνιστάται σχοινί καλωδίων:
16 χιλ. X 43 μ. (5/8 “x 141 ‘) – Std. τύμπανο
16 mm x 75 m (5/8 “x 246 ‘) – Μεγάλο τύμπανο
1,960 N / mm2 (EIPS) με ελάχιστη αντοχή θραύσης 179 kN (40,167 lbf) που απαιτείται για τις προδιαγραφές SAE J706 - Βάρος του βαρούλκου:
175 κιλά / 386 λίβρες – Std. τύμπανο
197 kg / 434 λίβρες – Long drum - Μεικτό βάρος:
198 κιλά / 437 λίβρες – τύμπανο Std
235 kg / 518 lb – Μεγάλο τύμπανο - Διάσταση κιβωτίου, (L x D x H):
900 x 510 x 530 mm (35,4 “x 20,1” x 20,9 “) – Τυπικό τύμπανο
1,040 x 620 x 510 mm (40,9 “x 24,4” x 20,1 “) – Μεγάλο τύμπανο
Αυτή η συσκευή δεν ανταποκρίνεται αρκετά στις ανάγκες σας; Ανακαλύψτε ολόκληρη τη γκάμα των προιόντων μας εδώ στο κατάστημα!
Έχετε ερωτήσεις σχετικά με αυτό το προϊόν; Παρακαλώ επικοινωνήστε μαζί μας! Καλέστε μας στο: 00302105130003 ή στείλτε μας ένα email στο info@kapountalis.com





KAPOUNTALHS%20ΒΑΣΗ%20ΕΡΓΑΤΗ%20COME%20UP-258x258w.png)
%20KAPOYNTALHS%20ASYRMATO%20XEIRISTHRIO%20ERGATH-258x258w.png)

