- BOOM LIFTS-SCISSOR LIFTS-WORKSITE
- PERSONEL LIFTING
- Search
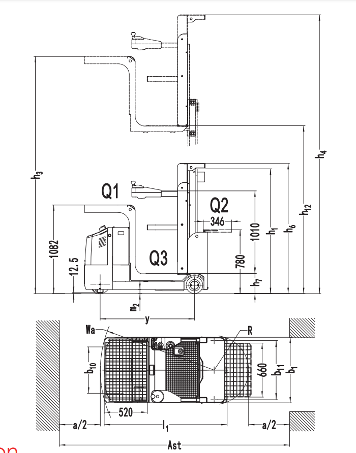
- ORDER PICKER EP JX1 WORKING HEIGHT UP TO 4880 500KG

-0-1-616x616.png)











-0-1-67x67.png)










- Stock: Delivery 25-30 wo.days
- Model: 1784
Available Options
Order Picker JX1
Order Picker JX1 helps you increase productivity in your warehouse, while reducing the risk of injury. With a stable web and a great work platform, the order Picker JX1 will give your employees the security they need to work effectively.
The JX1 can lift an operator up to 4100mm, rotate to just 1385mm, and can be steered while lifting diagonally to move from work to work.
The Move is performed by a high-performance AC motor that can be programmed via the built-in LCD board, while the power comes from a maintenance-free AGM 224AH battery that supports charging opportunities from a standard 230V socket.
Characteristics:
Order Picker JX1 from EP Equipment is a unique product. Situated between a low level of order acceptance, ladders and VNA trucks, the order Picker JX1 allows you to collect products up to 5.6 meters high while using a compact and very stable truck at a reasonable price level. Designed for the e-commerce and small goods selection environment, this product will help you improve productivity and increase security in the warehouse and corridors of stores.
Possibility of lifting
Total lifting capacity 500kg. The order Picker JX1 can carry a total capacity of up to 500Kg (227kg front disc, 136kg operator and 137kg rear disc).
Variable speed control
Electronic steering wheel with variable speed control.
Mast fabrication and steel frame
Stainless steel I-beam fabric construction and steel frame.



Order Picker JX1





-258x258w.png)
-258x258h.jpg)
-258x258w.png)



-258x258.jpg)




-258x258w.jpeg)